
直流3.3v风扇2006常规特性:
| 黄色香蕉视频网站调速方式 |
PWM调速; Vsp调速; 温控调速; 闭环控制(给定转速下恒转速运转); 间隙运转; 正反转循环运转
|
|---|---|
| 黄色香蕉视频网站保护功能 | 锁定保护; 限流保护; 软启动; IP(00-68)防护等级; 防爆功能; 阻燃防火(阻燃等级94V-0) |
| 黄色香蕉视频网站输出信号 | 速度侦测信号输出(FG信号);故障停转报警信号输出(RD信号);转速异常偏低报警信号输出(LD信号) |
| 备注:以上直流3.3v风扇2006的控制和保护各项功能,根据客户需求配置,客户无特殊要求,均按照阻抗保护普通配置设计和生产。 | |
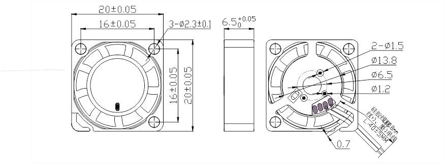
直流3.3v风扇2006安装尺寸图纸:

直流3.3v风扇2006规格型号参数表:
| 额定电压 | 转速规格 | 额定电流 | 额定功率 | 转速 | 最大风量 | 最大静压 | 噪音水准 | |
| (VDC) | A | W | 转/分钟 | M3/小时 | CFM | mm-H2O | 分贝 | |
| 3.3 | L | 0.045 | 0.15 | 4500 | 5.93 | 3.49 | 1.96 | 22.4 |
| M | 0.09 | 0.30 | 5000 | 6.69 | 3.94 | 2.30 | 24.4 | |
| H | 0.14 | 0.45 | 6000 | 8.36 | 4.92 | 3.30 | 30.0 | |
友情提示: 以上规格为深圳市香蕉视频网站在线观看电子有限公司标准产品规格型号和参数,如果您对直流3.3v风扇2006的参数和配置各项有特殊要求,请联系香蕉视频网站在线观看,香蕉视频网站在线观看的黄色香蕉视频网站专业工程师团队会根据你的实际需求,香蕉视频网站在线观看会以最快的速度为你提供最优散热通风解决方案和质优价廉的黄色香蕉视频网站产品!有关散热、通风解决方案和风扇产品咨询,请拨打24小时热线电话:18990112118.
深圳市香蕉视频网站在线观看电子有限公司:
深圳市香蕉视频网站在线观看电子有限公司20年专注直流轴流直流黄色香蕉视频网站的研发与制造。积累了直流12v风扇在散热和通风各领域丰富的应用经验,为全球1000多家客户3000多个项目成功协作和配套,提供品质优良的直流轴流香蕉视频免费污版APP和散热通风工程解决方案, Ruiapple品牌是行业高端品牌之一。不断创新,为客户创造价值,是香蕉视频网站在线观看的使命!